產品名稱:以太網POE交換機
規格型號:UT-6405GCA-POE
端口數量:5口
傳輸速率:千兆
網絡管理:非網管
產品概述:
UT-6405GCA-POE是5口全千兆非網管型POE以太網交換機,5路千兆以太網端口(其中1-4口支持POE以太網供電),可以為IEEE 802.3af/at設備(PD)供電,消除了額外的布線需求,提供直流輸入正反接保護防止燒壞儀器,外觀設計精巧,同時支持工業標準的導軌式安裝和墻式安裝,所以它非常容易安裝應用在任何工業網絡上。該產品提供3種工作模式:延長、標準和VLAN模式,提供POE看門狗功能和POE功率限制功能,專門解決工程中出現的設備死機現象,自動重啟死機設備。
產品特性:
●支持4路千兆POE(IEEE802.3af/at)
●支持全雙工或半雙工模式,并帶有自動協商能力
●10/100/1000Mbps自動適應
●網口支持全自動交叉識別,無需手動操作開關
●即插即用,方便使用
●工作溫度:-40℃~75℃
●電壓輸入:48VDC(46-57V)
規格參數:
| 標準 | IEEE 802.3af/at適用于POE IEEE 802.3 10Base-T IEEE 802.3u 100Base-T(X) IEEE 802.3ab 1000Base-T IEEE 802.3x | |
| 接口 | 以太網接口 | 5個千兆RJ-45(其中1~4口帶POE輸出功能),支持10/100/1000Base-T |
| LED指示燈: | 電源指示燈,RJ-45指示燈,POE指示燈 | |
| POE供電方式 | +(1,2)pins,-(3,6)pins | |
| 交換性能 | 轉發速率 | 1488095ppS |
| 傳輸模式 | 存儲轉發 | |
| MAC地址空間 | 2K | |
| 緩存空間 | 1Mb | |
| 背板帶寬 | 10G | |
| 最大幀長 | 16KB | |
| 電源需求 | 輸入電壓 | 48VDC(46-57V) |
| 接口端子 | 1個可插拔的3針接線端子 | |
| 過載 保護 | 提供 | |
| 反接保護 | 提供 | |
| 功耗 | 單路POE網絡接口可達30W,總功耗不超過60W | |
| 按鍵功能 | VLAN模式 | 開啟時,設備1-4端口相互隔離與5口互通,防止廣播風暴;關閉時,所有端口均可互相通信。 |
| CCTV模式 | 下聯端口降速10M自協商,有效傳輸距離可達250米 | |
| POE LIM模式 | POE功率限制,每端口功率限制為30W(IEEE802.3at供電機型),超過30W,結束此端口終端供電;超過整機POE功率,通過優先級端口供電,供電優先級順序為:第1端口最高,依次降低優先級。 | |
| POE WDT(看門狗)模式 | 交換機自動檢測PD設備端工作情況,發現異常交換機自動重啟PD設備。 | |
| 機械特性 | 外殼 | IP40防護等級 |
| 安裝方式 | 導軌式或壁掛式安裝 | |
| 重量 | 677g | |
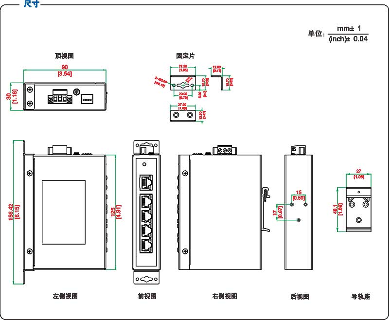
| 尺寸(WxHxD) | 30mmx125mmx90mm | |
| 包裝尺寸 | 250mm x205mm x55mm | |
| 工作環境 | 工作溫度 | -40℃~75℃ |
| 儲存溫度 | -40℃~85℃ | |
| 相對濕度 | 0~95%(無凝露) | |
| 行業標準 | EMI | FCC Part 15, CISPR (EN55022) class A |
| EMS | IEC(EN)61000-4-2(ESD) IEC(EN)61000-4-3(RS) IEC(EN)61000-4-4(EFT) IEC(EN)61000-4-5(Surge) IEC(EN)61000-4-6(CS) IEC(EN)61000-4-8 EC 60068-2-27(Shock) IEC 60068-2-32(Freefall) IEC 60068-2-6(Vibration) | |
訂購信息:
| 產品型號 | 端口 | 光口類型 | |
| 10/100/1000Base-T | 1000Base-X | ||
| UT-6405GCA-POE | 5 | - | - |
備注:以上產品的光口類型默認為單模雙纖SC接口/SFP插槽,另可選ST/FC接口,更多配置可咨詢市場部。
產品尺寸:

400-1144-149